WM06Z120-00300-00720-CS0000-36
Can't find what you're looking for? Go to the Product Selector
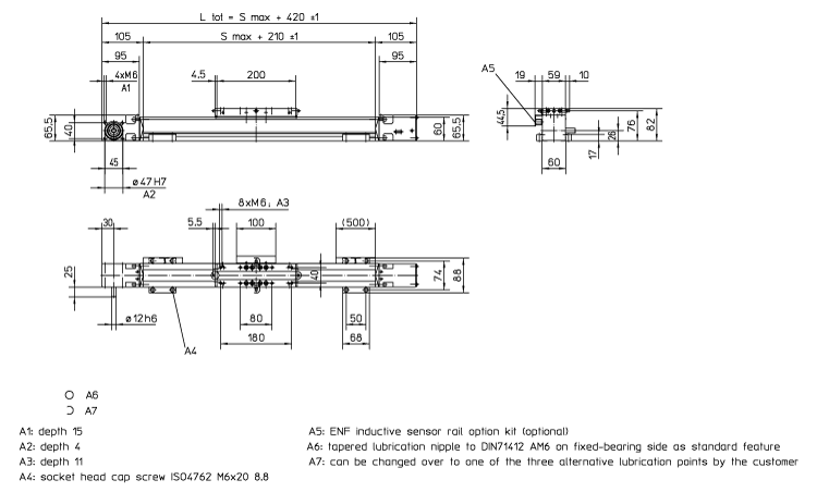
直線運動單元, WM60Z, 皮帶 Drive, 滾珠 Guide, 0.05 毫米 Repeatability, 300 毫米 Stroke, 720 毫米 Overall Length, 單短滑塊, 120 毫米 Travel Per Shaft Rev, Shaft On Left Side With Keyway, 2500 Maximum Linear Speed
- 取代
- 中央潤滑所有需潤滑零件
